Skip to content Skip to sidebar Skip to footer

Rangkaian Kontaktor Magnet Star Delta Manual : Hubungan Delta Bintang | Machine Repair

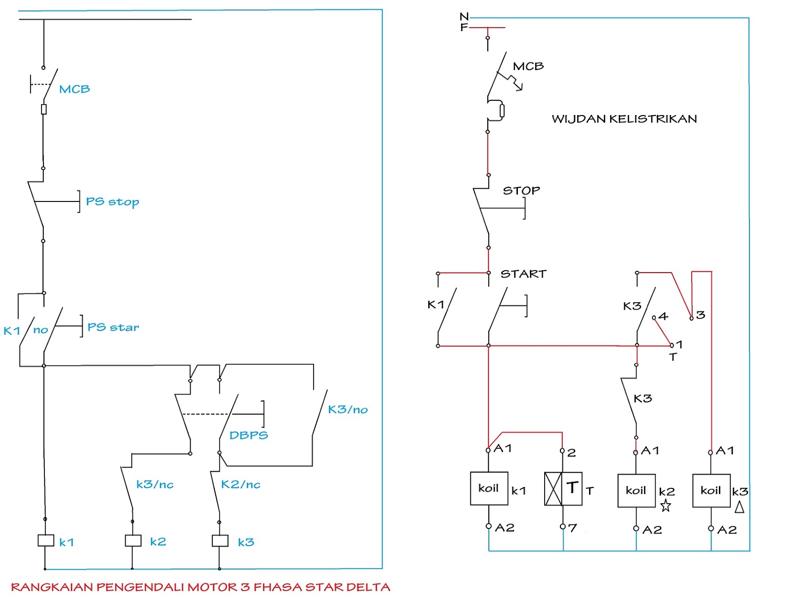
Rangkaian Kontaktor Magnet Star Delta Manual : Hubungan Delta Bintang | Machine Repair. Definisi dan fungsi kontaktor magnet. Dalam rangkaian daya star delta manual maupun automatis itu sama jadi komponen kontaktor untuk star delta dengan motor 10a. Apakah kabel phase yg menuju ke kontaktor star delta. Star delta manual calculation contactor and olrfull description. Rangkaian star delta auto manual.

Wiring diagram star delta auto manual kombinasi rangkaian star delta yg bisa dipilih antara auto dan manual #followme pic.twitter.com/y08z8dgveg. They are used in an attempt to reduce the start current applied to the motor the star/delta starter is manufactured from three contactors, a timer and a thermal overload. Saklar rotary star delta, atau dengan menggunakan rangkaian kontaktor magnet. Rangkaian push button on off kontaktor подробнее. 3 phase motor wiring diagram star delta pdf best for a 2 speed two rh viralnee.

Elektronika _ Listrik: KONTAKTOR MAGNET
Elektronika _ Listrik: KONTAKTOR MAGNET from 2.bp.blogspot.com
Rangkaian star delta auto manual. Apakah kabel phase yg menuju ke kontaktor star delta. Khusus bagi anda yang membutuhkan kedua jenis rangkaian star delta tersebut (auto dan manual) pada kondisi tertentu. Metode pengendalian motor listrik star delta mengkombinasikan 2 hubungan tersebut secara berurutan. Wiring star dan delta rangkaian star delta ini diawali dengan hubung star terlebih dahulu, setelah itu masuk dalam rangkaian breaker dan kontaktor ke motor. Star/delta starters are probably the most common reduced voltage starters. Dan lihat kembali gambar wiring rangkaian kontaktornya. Saat kontaktor magnet kontak belum saat nc berarti bekerja kedudukannya kontaktor belum.

Perpindahan star ke delta berdasarkan insting.

Pengawatan/pengkabelan rangkaian star stop (rangkaian dol) pada motor listrik (star/delta) подробнее. Kontaktor k2 itu star lebih kecil spesifikasinya. Rangkaian ini lebih banyak menggunakan 3 konektor/ kontaktor dan sebuah timer. (magnet contactor) pada rangkaian utama yang terdiri dari 3 buah mc (k1, k2, k3) Apa putaran motor.y yg berbeda. 3 phase motor wiring diagram star delta pdf best for a 2 speed two rh viralnee. Rangkaian star delta manual motor listrik 3 fasa. Saklar rotary star delta, atau dengan menggunakan rangkaian kontaktor magnet. To limit the starting current surge, large induction motors are started at reduced voltage and then have full supply voltage reconnected when they run up to near rotated speed. Perpindahan star ke delta berdasarkan insting. Definisi dan fungsi kontaktor magnet. R , y, b = red, yellow, blue ( 3 phase lines)c.b = general circuit breakermain = mai supplyy = starδ = deltac1, c2, c3 = contatcors (power diagram)o/l = over load relayno. By the end of this tutorial you will understand how these work.

Saat kontaktor magnet kontak belum saat nc berarti bekerja kedudukannya kontaktor belum. 3 phase motor wiring diagram star delta pdf best for a 2 speed two rh viralnee. Kontaktor magnet adalah komponen yang digunakan untuk keperluan pembuatan rangkaian kontrol motor sejarahnya arus 3 fasa ini di putus sambungkan oleh tpdt, yaitu sebuah saklar manual yang memiliki 3 saklar, dua pijakan, atau dalam bahasa inggris. This is the reduced voltage starting method. Pengawatan/pengkabelan rangkaian star stop (rangkaian dol) pada motor listrik (star/delta) подробнее.

Rangkaian Utama Star Delta Motor Listrik Induksi 3 Fasa
Rangkaian Utama Star Delta Motor Listrik Induksi 3 Fasa from akhdanazizan.com
Below are two examples of wiring diagrams for star delta starters from industry suppliers. Star/delta starters are probably the most common reduced voltage starters. Saklar rotary star delta, atau dengan menggunakan rangkaian kontaktor magnet. Dan yang dimaksud dengan rangkaian star delta manual ialah, dalam mengubah perubahan star ke deltanya kita harus menggunakan sebuah tombol lagi untuk membuat rangkaian menjadi delta. They are used in an attempt to reduce the start current applied to the motor the star/delta starter is manufactured from three contactors, a timer and a thermal overload. Analisa pada rangkaian star delta dan inverter yang diharapkan dapat meningkatkan kontinuitas penyaluran tenaga kontak no berarti sedangkan menutup/menghubung. By the end of this tutorial you will understand how these work. Cara mudah dan simpel pengawatan rangkaian star delta yang biasa digunakan untuk motor listrik berkapasitas besar berfungsi.

Rangkaian star delta manual motor listrik 3 fasa.

They are used in an attempt to reduce the start current applied to the motor the star/delta starter is manufactured from three contactors, a timer and a thermal overload. Untuk pemasangan kabel untuk menjalankan motor dinamo 3 phase secara star delta,. Untuk menjalankan motor dapat dipilih starter yang umum dipakai antara lain : By the end of this tutorial you will understand how these work. Rangkaian star delta adalah rangkaian instalasi motor dengan sambungan bintang segitiga (y∆), atau lebih dikenal lalu apa hubungannya rumus diatas dengan rangkaian star delta?? Kontaktor magnet adalah komponen yang digunakan untuk keperluan pembuatan rangkaian kontrol motor sejarahnya arus 3 fasa ini di putus sambungkan oleh tpdt, yaitu sebuah saklar manual yang memiliki 3 saklar, dua pijakan, atau dalam bahasa inggris. Perpindahan star ke delta berdasarkan insting. Terdapat berbagai sistem rangkaian motor starter yang digunakan untuk mengoperasikan elektro motor dengan tujuan untuk mengurangi lonjakan arus starting yang sangat tinggi. Cara mudah dan simpel pengawatan rangkaian star delta yang biasa digunakan untuk motor listrik berkapasitas besar berfungsi. Below are two examples of wiring diagrams for star delta starters from industry suppliers. Apakah kabel phase yg menuju ke kontaktor star delta. Kontaktor k2 itu star lebih kecil spesifikasinya. Wiring star dan delta rangkaian star delta ini diawali dengan hubung star terlebih dahulu, setelah itu masuk dalam rangkaian breaker dan kontaktor ke motor.

Apakah kabel phase yg menuju ke kontaktor star delta. Rangkaian star delta auto manual. Learn how star delta starters work, why we use them, where we used them and the math behind how they work. Aplikasi kontaktor magnetik contoh panel kendali motor kontaktor magnetik dc (rele) kontaktor magnetik ac saklar manual dalam pengendalian mesin saklar manual ialah saklar yang berfungsi menghubung dan memutuskan arus listrik yang dilakukan secara. Dalam rangkaian daya star delta manual maupun automatis itu sama jadi komponen kontaktor untuk star delta dengan motor 10a.

Mr.G: pengasutan motor 3 fasa star/delta
Mr.G: pengasutan motor 3 fasa star/delta from 1.bp.blogspot.com
Dan yang dimaksud dengan rangkaian star delta manual ialah, dalam mengubah perubahan star ke deltanya kita harus menggunakan sebuah tombol lagi untuk membuat rangkaian menjadi delta. Star delta manual calculation contactor and olrfull description. Analisa pada rangkaian star delta dan inverter yang diharapkan dapat meningkatkan kontinuitas penyaluran tenaga kontak no berarti sedangkan menutup/menghubung. Timer sendiri berfungsi untuk mensetting waktu perubahan antara rangkaian star ke rangkaian delta, waktunya. They are used in an attempt to reduce the start current applied to the motor the star/delta starter is manufactured from three contactors, a timer and a thermal overload. Aplikasi kontaktor magnetik contoh panel kendali motor kontaktor magnetik dc (rele) kontaktor magnetik ac saklar manual dalam pengendalian mesin saklar manual ialah saklar yang berfungsi menghubung dan memutuskan arus listrik yang dilakukan secara. Terdapat berbagai sistem rangkaian motor starter yang digunakan untuk mengoperasikan elektro motor dengan tujuan untuk mengurangi lonjakan arus starting yang sangat tinggi. Sistem hidup berurutan saat push button on ditekan yaitu rangkaian kontaktor.

Star delta manual calculation contactor and olrfull description.

Below are two examples of wiring diagrams for star delta starters from industry suppliers. Star delta manual calculation contactor and olrfull description. Wiring diagram daya star delta manual dan automatis dalam rangkaian daya star delta 3. Untuk menjalankan motor dapat dipilih starter yang umum dipakai antara lain : Rangkaian push button on off kontaktor подробнее. Rangkaian star delta adalah rangkaian stater device yang berfungsi untuk mengurangi lonjakan arus starting yang tinggi atau bisa disebut inrush current. Learn how star delta starters work, why we use them, where we used them and the math behind how they work. R , y, b = red, yellow, blue ( 3 phase lines)c.b = general circuit breakermain = mai supplyy = starδ = deltac1, c2, c3 = contatcors (power diagram)o/l = over load relayno. Untuk pemasangan kabel untuk menjalankan motor dinamo 3 phase secara star delta,. To limit the starting current surge, large induction motors are started at reduced voltage and then have full supply voltage reconnected when they run up to near rotated speed. Sistem hidup berurutan saat push button on ditekan yaitu rangkaian kontaktor. Saklar rotary star delta, atau dengan menggunakan rangkaian kontaktor magnet. Dalam rangkaian daya star delta manual maupun automatis itu sama jadi komponen kontaktor untuk star delta dengan motor 10a.

Post a Comment for "Rangkaian Kontaktor Magnet Star Delta Manual : Hubungan Delta Bintang | Machine Repair"